繞組連接方式 ( Winding Type ) | 星形 ( Star connection) |
霍爾分布角度 ( Hall Effect Angle ) | 120度電角度 ( Electrical Angle of 120 degree) |
徑向間隙 ( Radial Play ) | 0.02mm@450g |
軸向間隙 ( Axial Play ) | 0.08mm@450g |
最大徑向負載 ( Max radial force ) | 5.3N距法蘭5mm ( 5mm From the flange) |
最大軸向負載 ( Max axial force ) | 1.8N |
介電強度 ( Dielectric Strength ) | 360VAC/1S |
絕緣電阻 ( Insulation Resistance ) | 100MΩ, 500VDC |
環境溫度 ( Ambient Temperature ) | -20°C ~ +50°C |
絕緣等級 (Insulation Class) | Class B |
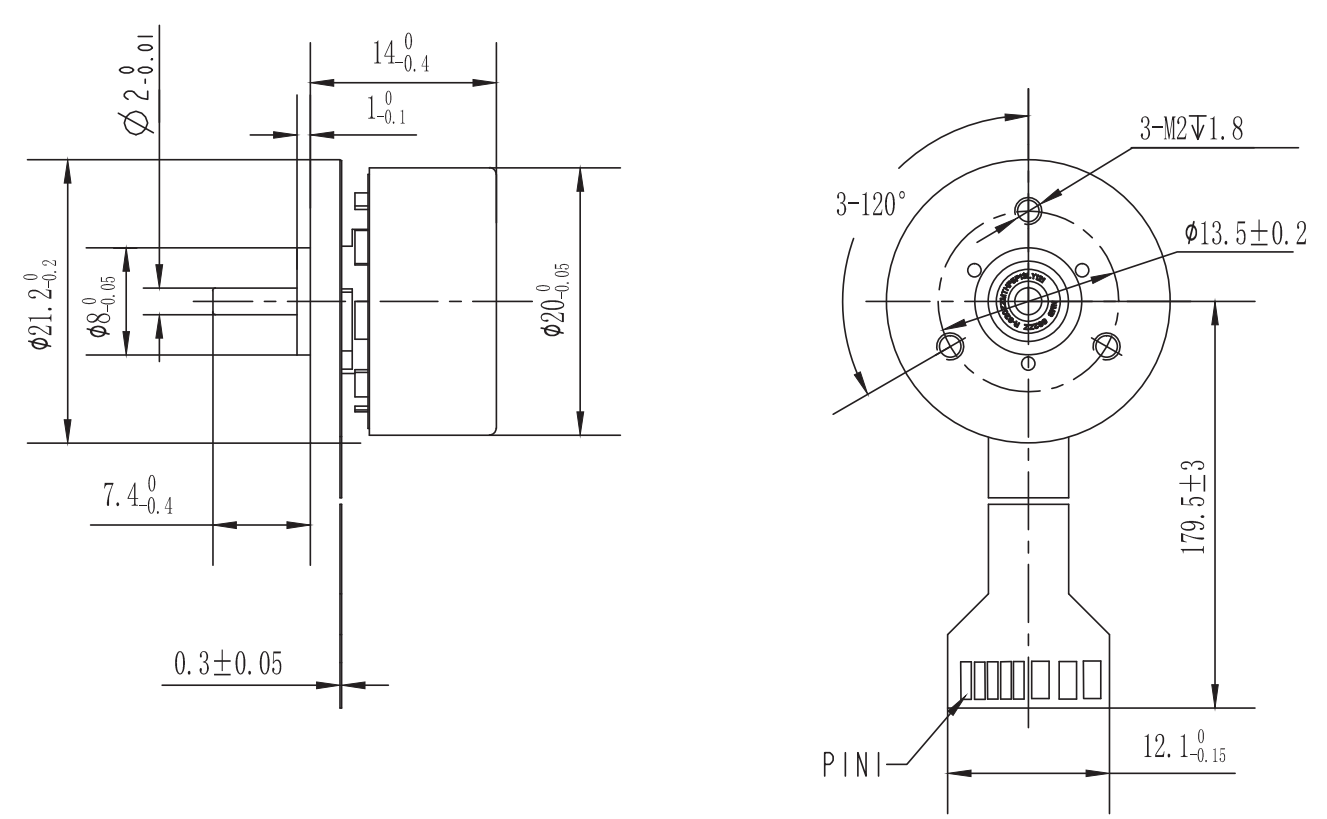
Pin No | 引出線型號Type | 功能Functions |
1 | FPC | 霍爾電源正 ( Vcc ) |
2 | 霍爾 W ( Hw ) | |
3 | 霍爾 U ( Hu ) | |
4 | 霍爾 V ( Hv ) | |
5 | 霍爾電源負 ( GND ) | |
6 | W相 ( Phase W ) | |
7 | V相 ( Phase V ) | |
8 | U相 ( Phase U ) |
電性能(Electrical Specifications)
單 位 (Unit) | FL20BLW14-12V-5105A | FL20BLW14-24V-5205A | |
極數 ( Number of poles ) | 8 | ||
相數 ( Number of phases ) | 3 | ||
額定電壓 ( Rated voltage ) | VDC | 12 | 24 |
額定轉矩 ( Rated torque) | mN.m | 7.59 | 7.74 |
連續運行轉矩 ( Continuous stall torque) | mN.m | 9.1 | 9.2 |
額定速度 ( Rated speed ) | RPM | 5170 | 5220 |
額定功率 ( Rated power ) | W | 5 | 5 |
峰值轉矩 ( Peak torque ) | mN.m | 19 | 20 |
峰值電流 ( Peak current ) | A | 1.62 | 0.85 |
線電阻 ( Line to line resistance ) | ohms@20℃ | 7.2 | 26.1 |
線電感 ( Line to line inductance ) | mH | 0.62 | 2.6 |
轉矩常數 ( Torque constant ) | mN.m/A | 12 | 24 |
反電勢 ( Back EMF ) | Vrms/KRPM | 0.89 | 1.78 |
轉動慣量 ( Rotor inertia ) | g.cm2 | 5.1 | 5.1 |
機身長度 ( Motor length ) | mm | 14 | 14 |
重量 ( Weight ) | g | 23 | 23 |
該款電機可以根據客戶需求定制。
The motor can be designed &manufactured with customized request.

Copyright 2023 版權所有 江蘇富興電機技術股份有限公司 蘇ICP備05002292號-1