1、技術規格:
繞組類型 | 單\雙極性 | ||||
電機結構 | 固定軸式、貫通軸式、外部驅動式 | ||||
步距角 | 度 | 7.5 | 15 | ||
工作電壓 | V | 5 | 12 | 5 | 12 |
每相電流 | mA | 370 | 160 | 370 | 160 |
每相電阻 | Ω | 13.5 | 74.5 | 13.5 | 76 |
每相電感 | mH | 6.5 | 38.5 | 4 | 25 |
步長 | mm | 0.0127 | 0.0254 | ||
0.0254 | 0.0508 | ||||
0.0508 | 0.1016 | ||||
注:參數可以根據客戶要求訂制。可選絲桿直徑① 3.5 可選導程① 0.3048、0.6096、1.0、1.2192、2.0、2.4384、4.0、8.0......(mm);步長=(步距角度/360)*導程(mm)
2、步進速度與推力曲線:




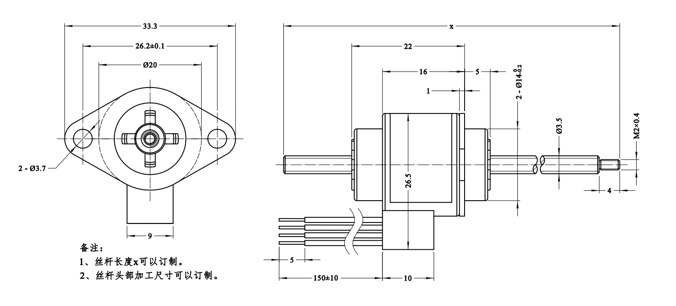
1、固定軸式


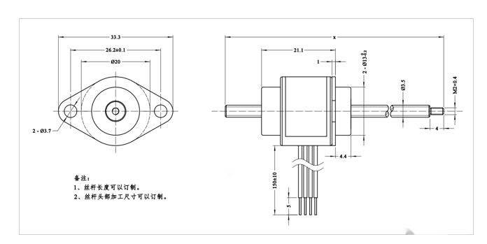
2、貫通軸式


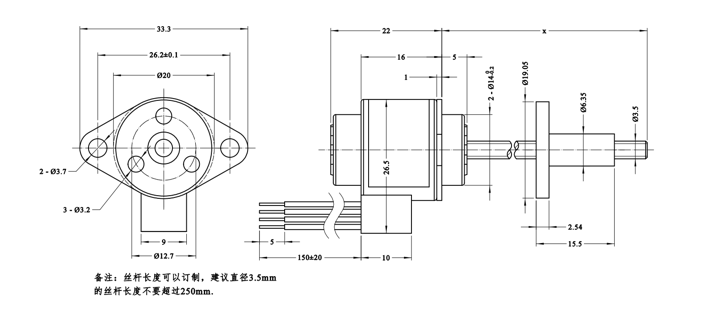
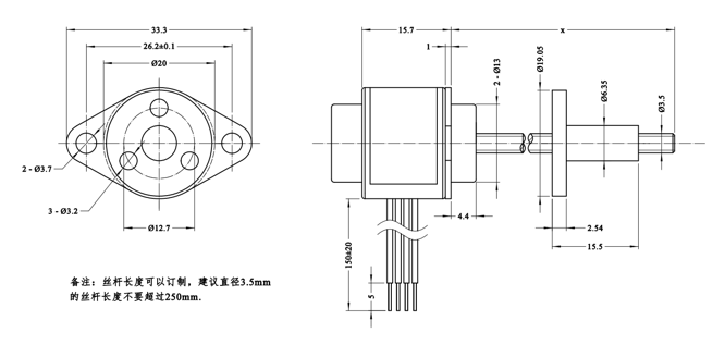
3、外驅式


Copyright 2023 版權所有 江蘇富興電機技術股份有限公司 蘇ICP備05002292號-1