項目(Item) | 說明(Specifications) |
步距角(Step Angle) | 1.8° |
步距角精度(Step Angle Accuracy) | ±5% (整步無負載,full step, no load) |
徑向間隙( Radial Play) | 0.02mm@450 g |
軸向間隙( Axial Play) | 0.08mm@450 g |
最大徑向負載(Max. radial force) | 28N 距法蘭20mm (20mm from the flange) |
最大軸向負載(Max. axial force) | 10N |
介電強度(Dielectric Strength) | 600VAC / 1s |
絕緣電阻(Insulation Resistance) | 100MΩ ,500VDC |
環境溫度(Ambient Temperature) | -20。C~+50。C |
絕緣等級(Insulation Class) | Class B |
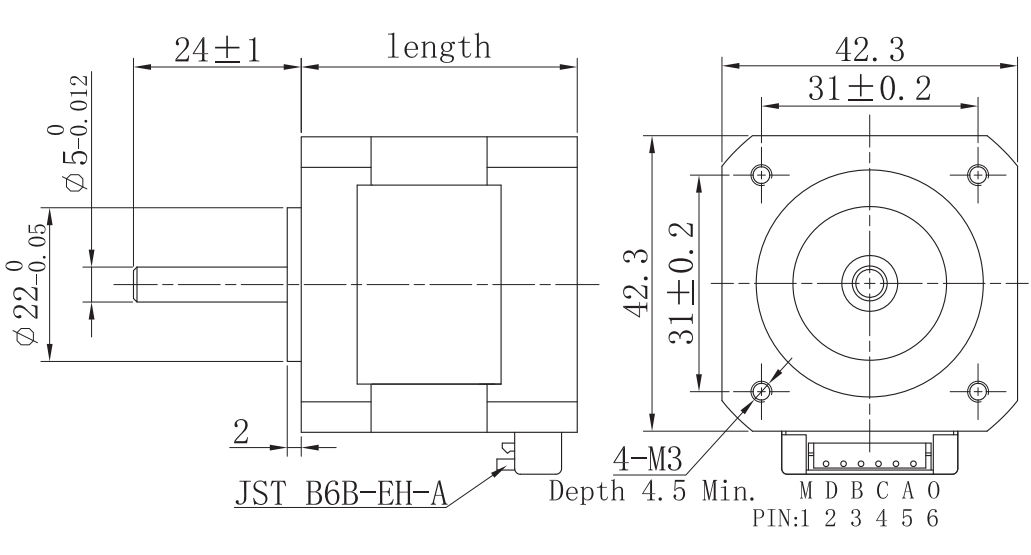
型號(Model No.) | Current /Phase 每相 電流 | Resistance /Phase 每相 電阻 | Inductance /Phase 每相 電感 | Holding Torque 保持 轉矩 | Detent Torque 定位 轉矩 | # of Leads 引出線數 | Rotor Inertia 轉動慣量 | Weight 重量 | Length 機身 長度 |
Single shaft (單出軸) | A | Ω | mH | N.m | N.m | # | g-cm2 | kg | mm |
FL42STC33-0956A | 0.95 | 4.2 | 2.5 | 0.16 | 0.012 | 6 | 35 | 0.22 | 33.5±1 |
FL42STC33-1334A | 1.33 | 2.1 | 2.5 | 0.22 | 4 | ||||
FL42STC38-1206A | 1.2 | 3.3 | 3.2 | 0.26 | 0.015 | 6 | 54 | 0.28 | 39.5±1 |
FL42STC38-1684A | 1.68 | 1.65 | 3.2 | 0.36 | 4 | ||||
FL42STC47-1206A | 1.2 | 3.3 | 2.8 | 0.317 | 0.02 | 6 | 68 | 0.35 | 47.5±1 |
FL42STC47-1684A | 1.68 | 1.65 | 2.8 | 0.44 | 4 | ||||
FL42STC60-1206A | 1.2 | 6 | 7 | 0.56 | 0.028 | 6 | 102 | 0.5 | 60±1 |
該款電機可以根據客戶需求定制。
The motor can be designed &manufactured with customized request.




Copyright 2023 版權所有 江蘇富興電機技術股份有限公司 蘇ICP備05002292號-1