1、技術規格:
繞組類型 | 單\雙極性 | ||||
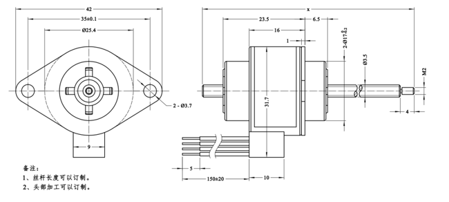
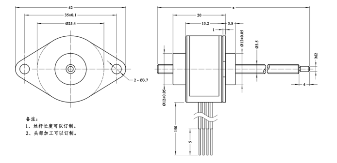
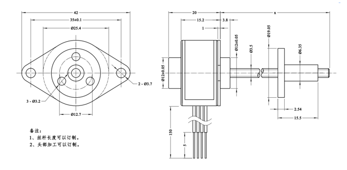
電機結構 | 固定軸式、貫通軸式、外部驅動式 | ||||
步距角 | 度 | 7.5 | 15 | ||
工作電壓 | V | 5 | 12 | 5 | 12 |
每相電流 | mA | 370 | 160 | 370 | 160 |
每相電阻 | Ω | 13.5 | 70 | 13.5 | 70 |
每相電感 | mH | 12.5 | 65 | 9.5 | 47 |
步長 | mm | 0.0127 | 0.0254 | ||
0.0254 | 0.0508 | ||||
0.0508 | 0.1016 | ||||
注:參數可以根據客戶要求訂制??蛇x絲桿直徑① 3.5 ② 4.77(mm),可選導程① 0.3048、0.6096、1.0、1.2192、2.0、2.4384、4.0、8.0......(mm);② 0.635、1.27、2.54、5.08、10.16 ......(mm)。步長=(步距角度/360)*導程(mm)
2、步進速度與推力曲線




1、固定軸式


2、貫通軸式


3、外驅式


Copyright 2023 版權所有 江蘇富興電機技術股份有限公司 蘇ICP備05002292號-1