一般技術特性 (General Technical Information)
編碼器類型 (Encoder type) | 1、磁編碼器 Magnetic encoder 備注:多種分辨率可選,增量式、絕對值式可選。 Note: Multiple resolutions are available;Incremental and absolute values are available. | ||
徑向負載 ( Max radial force ) | 800N |
環(huán)境條件 Environmental conditions | 使用環(huán)境溫度: -20℃~ +50℃; Temperature: -20℃~ +50℃ 使用環(huán)境濕度:≤90%RH(無凝露); Relative humidity: ≤90%RH(No dewing) 安裝環(huán)境:遠離腐蝕、可燃性氣體,油滴,灰塵, 海拔≤1000m(1000~4000m,降額使用); Installation environment: Far away active gas, Combustible gas, oil drop, ash. altitude≤1000m(1000~4000m,Derating use); 存儲環(huán)境:-20℃~ +85℃,≤85%RH(無凝露)。 Storage Condition: -20℃~ +85℃,≤85%RH(No dewing). |
軸向負載 ( Max axial force ) | 300N | ||
絕緣等級 (Insulation Class) | Class F | ||
防護等級 (Protection level) | IP54 | ||
電機減速后技術性能 (Motor Technical Specification)
類型 (Model) | 單位(Unit) | FL60SV40 | FL60SV20 |
減速比(Reduction Ratio) | 9:1 | 9:1 | |
額定功率(Rated power) Pn | W | 400 | 200 |
額定電壓(Rated voltage) U | V | 48VDC | 48VDC |
額定轉速(Rated speed) nn | RPM | 311 | 311 |
額定轉矩(Rated torque) Tn | N·m | 10.8 | 5.4 |
額定電流(Rated current) In | A | 12 | 6 |
最大轉速(Maximum speed) nmax | RPM | 555 | 555 |
最大轉矩(Maximum torque) Tm | N·m | 32.4 | 16.2 |
最大電流(Maximum current) Im | A | 36 | 18 |
電阻(Line to line resistance) RL | Ω | 0.23 | 0.38 |
電感(Line to line inductance) LL | mH | 0.3 | 0.68 |
反電勢系數(Back EMF) Ke | V/Krpm | 6.5 | 6.5 |
轉矩系數(Torque constant) Kt | Nm/A | 0.107 | 0.107 |
電氣時間常數(Electrical time constant) τe | ms | 1.3 | 1.79 |
機械時間常數(Mechanical time constant) τm | ms | 0.52 | 0.85 |
轉動慣量(Rotor inertia) Jm0 | kg.cm2 | 0.39 | 0.29 |
轉動慣量帶制動器(Rotor inertia with brake) Jm1 | kg.cm2 | 0.39 | 0.29 |
極數(Number of poles) | 10 | 10 | |
編碼器(Encoder) | 2500ppr磁編碼器(增量式) 2500p/rev Magnetic encoder | ||
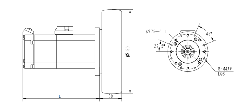
機身長度(Motor length) L | mm | 99.5 | 78.5 |
機身長度帶制動器(Motor length with brake) L | mm | 135.5 | 114.5 |
重量 (Weight) | Kg | 4.35 | 3.95 |
重量帶制動器(Weight with brake) | Kg | 4.85 | 4.35 |

Copyright 2023 Copyright Jiangsu Fulling Motor Technology Co., Ltd.