1、特性概要(General specification)
項目(Item) | 說明(Specifications) |
步距角(Step Angle) | 1.8° |
步距角精度(Step Angle Accuracy) | ±5% (整步無負載,full step, no load) |
徑向間隙( Radial Play) | 0.02mm@450 g |
軸向間隙( Axial Play) | 0.08mm@450 g |
最大徑向負載(Max. radial force) | 130N 距法蘭20mm (20mm from the flange) |
最大軸向負載(Max. axial force) | 36N |
介電強度(Dielectric Strength) | 1200VAC / 1s |
絕緣電阻(Insulation Resistance) | 100MΩ ,500VDC |
環(huán)境溫度(Ambient Temperature) | -20。C~+50。C |
絕緣等級(Insulation Class) | Class B |
2、電性能(Electrical specifications)
型號(Model No.) | Current /Phase 每相 電流 | Resistance /Phase 每相 電阻 | Inductance /Phase 每相 電感 | Holding Torque 保持 轉矩 | Detent Torque 定位 轉矩 | # of Leads 引出線數 | Rotor Inertia 轉動慣量 | Weight 重量 | Length 機身 長度 |
Single shaft (單出軸) | A | Ω | mH | N.m | N.m | # | g-cm2 | kg | mm |
FL86STH65-6004AC | 6 | 0.29 | 1.77 | 3.5 | 0.08 | 4 | 1000 | 1.7 | 63 |
FL86STH80-6004AC | 6 | 0.39 | 3 | 4.5 | 0.12 | 4 | 1400 | 2.3 | 75 |
FL86STH118-6004AC | 6 | 0.55 | 6 | 8.5 | 0.24 | 4 | 2700 | 3.8 | 112 |
FL86STH156-6004AC | 6 | 0.73 | 8.68 | 12 | 0.36 | 4 | 4000 | 5.3 | 150 |
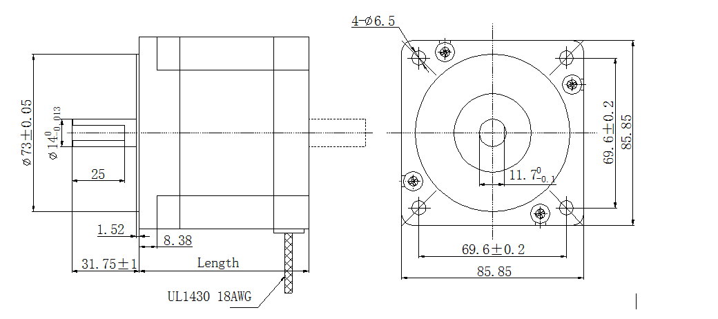
1、機械尺寸(Dimension)

2、接線圖(Wiring Diagram)

3、矩頻曲線(Pull out torque curve)


根據要求,該款電機可以設計和制造成定制的類型。
The motor can be designed &manufactured with customized request.
Copyright 2023 Copyright Jiangsu Fulling Motor Technology Co., Ltd.